产品中心

创新、优质、严谨、精准

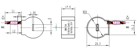
ZMDCT09电流互感器

ZMDCT09 电流互感器.
我要询价

产品规格

应用

        本产品适用于 50Hz 的多功能电子式电能表、防窃电表、数显表等电测设备。

        环境温度:-40℃~85℃,相对湿度≤95%;

        海拔高度:不超过 1000m;

        大气条件:无严重影响互感器绝缘的气体、蒸气、化学沉积、尘垢及其它腐蚀性、爆炸性介质。

        参考及引用标准:

        JB/T 10665-2016《电能表用微型电流互感器》

        JJG 313-2010 《测量用电流互感器检定规程》。


电气原理图

L]%(D[G(3)~4{`W0%%ZS1TB.png


工作特性

%U]0L8B1W@)S(XCLM{E44Y1.png


 误差极限:

4LRIEJQ}A2R8)]ZH4XH]FLP.png


 结构尺寸(单位: mm )

{612DZF34TAONWPJYJE})5I.png



NAOE_`[@2F4FVQ)SR[[`F4I.png

网站首页 关于我们产品中心项目展示新闻资讯联系我们

公司名称:青县择明朗熙电子器件有限公司

联系电话:025-52601870(外贸部)

公司地址:河北省沧州市青县金牛镇大鹁鸽留工业园

联系电话:0317-4089239(人事部)

传真号码:0317-4085208

技术支持:13323070872

Copyright @2020 青县择明朗熙电子器件有限公司 All Rights Reserved 冀ICP备14015737号-1

联系我们
在线客服系统